Laboratorio Modellazione e Caratterizzazione Smart Grid

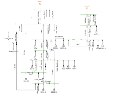
Esempio di microrete energetica utilizzato nei tool di ottimizzazione
Il laboratorio di modellazione e caratterizzazione Smart Grid basa le proprie attività sulle linee principali di seguito descritte:
- Sviluppo ed implementazione di strategie multi-obiettivo, in relazione alle diverse richieste di fornitura di servizi energetici, per la gestione ed il controllo di microreti energetiche in configurazione Smart Grid in presenza di generazione distribuita da FER
- Ottimizzazione operazionale di reti e microreti energetiche in presenza di poli- generazione distribuita da rinnovabile e non e sistemi di accumulo energetico
- Modellazione, implementazione e simulazione di reti e microreti elettriche in configurazione grid-connected o in isola
- Sviluppo di tool di gestione e ottimizzazione di risorse energetiche distribuite per applicazioni in ambito “Smart Grid”, anche per l’erogazione di servizi ancillari
- Studio e analisi di tecnologie e metodologie per lo sviluppo di hub-energetici multi- vettore e comunità energetiche rinnovabili.
Grazie alla partecipazione a numerosi progetti nazionali ed europei, il laboratorio si è dotato, nel corso degli anni, di diverse apparecchiature e software necessari per la modellazione e caratterizzazione di reti e microreti in configurazione Smart Grid. In particolare, nel laboratorio, sono presenti le seguenti piattaforme software di sviluppo e simulazione:
- DigSilent PowerFactory
- Neplan
- IBM ILOG CPLEX Optimization Studio
- Homer Energy
- Trnsys
- Matlab.

Logiche di controllo innovative
Possibili applicazioni
Il laboratorio è focalizzato sulle seguenti attività di ricerca:
- Modellazione e analisi energetica di reti e microreti energetiche, in presenza di FER e accumulo, mediante piattaforme di simulazione
- Sviluppo di piattaforme “smart” per la pianificazione della generazione degli impianti a fonte fossile e della gestione dei sistemi di accumulo in microreti energetiche, basandosi sulla previsione della generazione da FER e del carico ed utilizzando opportuni tool di ottimizzazione multi- obiettivo
- Design di logiche di gestione e controllo di risorse energetiche distribuite (es. sistemi di accumulo elettrico, veicoli elettrici, fonti di generazione rinnovabile) per la fornitura di servizi ancillari alla rete tra cui: congestion management, risoluzione delle problematiche di stabilità in frequenza e tensione delle reti elettriche.

Piattaforme Smart
Attività in corso e per il prossimo futuro
Il laboratorio di Modellazione e Caratterizzazione Smart Grid è coinvolto in diversi progetti nazionali (FERGE, METER, MICCA, COMODES, COMESTO) ed europei (ELECTRA, JPSG, INTESYS4EU, etc.). In particolare, il laboratorio è attualmente impegnato nel progetto europeo INTERPLAN “INTEgrated opeRation PLANning tool towards the Pan-European Network”, di cui ENEA è coordinatore.
Attualmente sono in corso le seguenti attività di ricerca:
- Definizione e sviluppo di programmi avanzati di Demand Response per applicazioni in sistemi energetici locali, che si basano su opportuni meccanismi di incentivazione per i consumatori finali, spingendoli a variare i propri profili di carico, adeguando le loro abitudini di consumo all’energia prodotta a livello locale
- Determinazione delle strategie di offerta ottimali di risorse energetiche distribuite (nella forma di aggregatore) al mercato dell’energia (day-ahead market e intra-day market), basandosi sulla gestione integrata del binomio produzione-domanda e su appropriati programmi di Demand Response
- Ottimizzazione di design di comunità energetiche rinnovabili allo scopo di determinare il mix e il dimensionamento ottimale delle tecnologie rinnovabili accoppiate a sistemi di accumulo e basandosi anche su tecniche avanzate di forecasting che interessano sia la produzione che il carico
- Sviluppo di tecnologie abilitanti per l’interoperabilità dei sistemi e il controllo e la gestione evoluta di reti energetiche integrate e Smart Grid
- Definizione di metodologie ed algoritmi di controllo innovativi per garantire la stabilità e la sicurezza della rete elettrica, operando in modo “integrato” e sui diversi livelli di tensione.

Dipartimento Tecnologie Energetiche
Divisione Solare Termico, Termodinamico e Smart Network
Referente attività: Roberto Ciavarella – roberto.ciavarella@enea.it, Marialaura Di Somma – marialaura.disomma@enea.it
Responsabile Divisione: Giorgio Graditi – giorgio.graditi@enea.it
